CATania 4030, Aluminium eloxiert 4m Profilstange
CATania 4030 Aufbauprofil 40x30mm, Aluminium eloxiert, Preis pro Profilstange
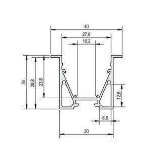
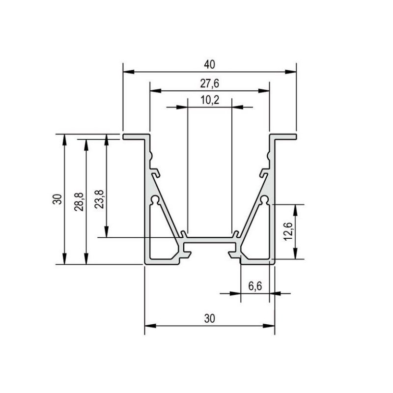
Das ideale Aufbauprofil für Bänder bis max 10mm Breite. Montage mittels Halterset 62399906, Kleben oder direktes Aufschrauben mit Senkschrauben (das Profil hat keine werkseitigen Bohrungen). Mit zwei mitlaufenden Hohlräumen, welche als Kabelkanal genutzt werden können. Durch den Profil-Innenaufbau weniger Lichtverlust. Integrierter Reflektor durch Neigung der inneren Seitenwände. In Verbindung mit optionalem Reflektorband kann der Lichtausstoss um bis zu 20% erhöht werden.
Spezifikationen:
- Lieferung ohne Abdeckung, Endkappen und Klammern
- Breite 40mm, Höhe 30mm
- Lieferlänge bis 5m am Stück möglich
- Preis pro Profilstange
- Achtung: Die Profile und Abdeckungen werden mit einer leichten Überlänge von 1-3cm geliefert (2m entspricht also effektiv 2.01-2.03m)
- Die Profile und Abdeckungen können auch auf ein gewünschtes Mass zugeschnitten und geliefert werden (Anfrage per Mail oder Tel.)
- Alle Artikel können auch bei uns in Wangen abgeholt werden.
